PRODUCT
HJ型化工離心堿泵實拍視頻:
一、概述
HJ化工離心泵是我公司在IH泵的基礎上升級創新而成的標準化工流程泵。該泵為單級單吸懸臂式結構,其性能參數符合GB/T5662(等效于IS02858)標準。在設計上,采用了先進的水力模型,具有較高的效率,比IH泵提高了5%,是節能型產品。在結構設計上借鑒了美國ANSI標準,加粗了軸徑、縮短了懸臂比,消除了IH泵經常斷軸的弊病,提高了運行穩定性,降低了維修費用和運行成本。公司參照了美國API682標準研制出的171系列機械密封已成功地使用于純堿、氯堿、制鹽、磷化工、冶金、環保等行業及易結晶、多顆粒的工況。HJ化工離心泵泵目前己有100多個規格,基本覆蓋2.5MPa壓力、200℃溫度下的所有化工流程應用。是與CZ、ZA并列的國內應用廣泛的三大化工離心泵系列之一。
二、與IH泵相比,HJ化工離心泵結構具有以下特點:
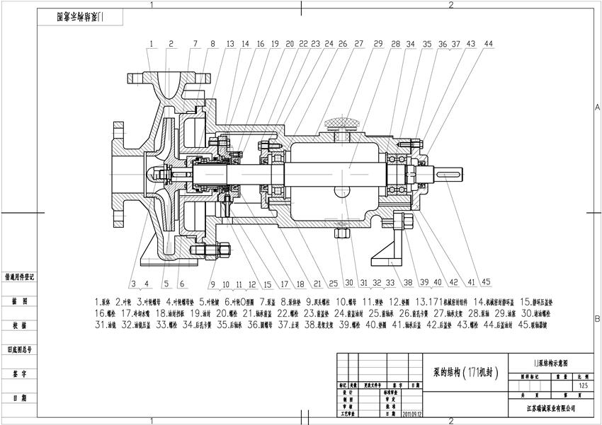
1、縮短了葉輪的懸臂,加粗了軸的直徑;
2、非對稱截面的蝸殼、泵殼無口環;
3、采用三只進口軸承;
4、裝有與國外先進的雙端面機械密封或填料密封相似的新型密封;
由于以上結構使該泵有以下優越性:
1、可以輸送高粘度或固體的介質,這時泵的效率較IH泵高;
2、非對稱截面蝸殼減少了流體的沖擊損失,縮短了泵殼尺寸;
3、增加軸的強度,減少了轉子的撓度,因而運行穩定,密封壽命長;
4、葉輪螺母與葉輪做成一體,改善了泵的入口條件,提高泵的抗汽蝕性能;
5、先進的軸封形式,使密封效果更佳,減少了泵的泄漏;
6、可以不拆卸泵殼和葉輪的情況下調節泵的間隙,減少了維修時間,節省維修成本;


三、性能參數表
型號/性能參數 | 轉速r/min | 流量m3/h | 揚程m | 電機功率KW | |||
比重 R=1.00 | 比重 R=1.35 | 比重 R=1.84 | |||||
HJ40-25-125 | 2900 | 6 | 20 | Y802-2/1.1 | Y90S-2/1.5 | Y90L-2/2.2 | |
HJ40-25-125A | 2900 | 5.2 | 15 | Y801-2/0.75 | Y802-2/1.1 | Y90S-2/1.5 | |
HJ40-25-160 | 2900 | 6 | 30 | Y90L-2/2.2 | Y100L-2/3 | Y112M-2/4 | |
HJ40-25-160A | 2900 | 5.2 | 26 | Y90S-2/1.5 | Y90L-2/2.2 | Y100L-2/3 | |
HJ50-32-125 | 1450 | 6.3 | 5 | Y801-4/0.55 | Y801-4/0.55 | Y801-4/0.55 | |
HJ50-32-125 | 2900 | 12.5 | 20 | Y90S-2/1.5 | Y90L-2/2.2 | Y100L-2/3 | |
HJ50-32-125A | 2900 | 11.3 | 16.2 | Y90S-2/1.5 | Y90S-2/1.5 | Y90L-2/2.2 | |
HJ50-32-160 | 1450 | 6.3 | 8 | Y801-4/0.55 | Y801-4/0.55 | Y802-4/0.75 | |
HJ50-32-160 | 2900 | 12.5 | 32 | Y100L-2/3 | Y112M-2/4 | Y132S1-2/5.5 | |
HJ50-32-160A | 2900 | 11.2 | 26 | Y90L-2/2.2 | Y100L-2/3 | Y112M-2/4 | |
HJ50-32-200 | 1450 | 6.3 | 12.5 | Y802-4/0.75 | Y90S-4/1.1 | Y90L-4/1.5 | |
HJ50-32-200 | 2900 | 12.5 | 50 | Y132S1-2/5.5 | Y132S2-2/7.5 | Y160M1-2/11 | |
HJ65-50-125 | 1450 | 12.5 | 5 | Y801-4/0.55 | Y801-4/0.55 | Y802-4/0.75 | |
HJ65-50-125 | 2900 | 25 | 20 | Y100L-2/3 | Y112M-2/4 | Y132S1-2/5.5 | |
HJ65-50-125A | 2900 | 22.5 | 16 | Y90L-2/2.2 | Y100L-2/3 | Y112M-2/4 | |
HJ65-50-160 | 1450 | 12.5 | 8 | Y802-4/0.75 | Y90S-4/1.1 | Y90S-4/1.1 | |
HJ65-50-160 | 2900 | 25 | 32 | Y112M-2/4 | Y132S1-2/5.5 | Y132S2-2/7.5 | |
HJ65-50-160A | 2900 | 22.5 | 26 | Y100L-2/3 | Y112M-2/4 | Y132S1-2/5.5 | |
HJ65-40-200 | 1450 | 12.5 | 12.5 | Y90S-4/1.1 | Y90L-4/1.5 | Y100L-4/2.2 | |
HJ65-40-200 | 2900 | 25 | 50 | Y132S2-2/7.5 | Y160M1-2/11 | Y160M2-2/15 | |
HJ80-65-125 | 1450 | 25 | 5 | Y802-4/0.75 | Y90S-4/1.1 | Y90S-4/1.1 | |
HJ80-65-125 | 2900 | 50 | 20 | Y132S1-2/5.5 | Y132S1-2/5.5 | Y132S2-2/7.5 | |
HJ80-65-125A | 2900 | 46.5 | 17.3 | Y112M-2/4 | Y132S1-2/5.5 | Y132S2-2/7.5 | |
HJ80-65-160 | 1450 | 25 | 8 | Y90S-4/1.1 | Y90L-4/1.5 | Y100L1-4/2.2 | |
HJ80-65-160 | 2900 | 50 | 32 | Y132S2-2/7.5 | Y160M1-2/11 | Y160M2-2/15 | |
HJ80-65-160A | 2900 | 46 | 28 | Y132S2-2/7.5 | Y160M1-2/11 | Y160M1-2/11 | |
HJ80-50-200 | 1450 | 25 | 12.5 | Y100L1-4/2.2 | Y100L1-4/2.2 | Y100L2-4/3 | |
HJ80-50-200 | 2900 | 50 | 50 | Y160M1-1/11 | Y160M2-2/15 | Y180M-2/22 | |
HJ100-80-125 | 1450 | 50 | 5 | Y90L-4/1.5 | Y100L1-4/2.2 | Y100L2-4/3 | |
HJ100-80-125 | 2900 | 100 | 20 | Y160M1-2/11 | Y160M2-2/15 | Y160L-2/18.5 | |
HJ100-80-125A | 2900 | 93 | 17.3 | Y132S2-2/7.5 | Y160M1-2/11 | Y160M2-2/15 | |
HJ100-80-160 | 1450 | 50 | 8 | Y100L1-4/2.2 | Y100L2-4/3 | Y112M-4/4 | |
HJ100-80-160 | 2900 | 100 | 32 | Y160M2-2/15 | Y160L-2/18.5 | Y200L1-2/30 | |
HJ100-80-160A | 2900 | 93 | 28 | Y160M1-2/11 | Y160M2-2/15 | Y160L-2/18.5 | |
HJ100-80-200 | 1450 | 75 | 12.5 | Y112M-4/4 | Y132M-4/5.5 | Y132M-4/7.5 | |
HJ100-80-200 | 2900 | 150 | 50 | Y200L1-2/30 | Y225M-2/45 | Y250M-2/55 | |
HJ100-65-200 | 1450 | 50 | 12.5 | Y100L2-4/3 | Y112M-4/4 | Y132S-4/5.5 | |
HJ100-65-200 | 2900 | 100 | 50 | Y180M-2/22 | Y200L1-2/30 | Y225M-2/45 | |
HJ125-80-200 | 2900 | 150 | 50 | Y200L1-2/30 | Y225M-2/45 | Y250M-2/55 | |
HJ125-100-250 | 1450 | 100 | 20 | Y160M-4/11 | Y160M-4/11 | Y160L-4/15 | |
HJ125-100-250 | 2900 | 200 | 80 | Y280S-2/75 | Y280M-2/90 | Y315S-2/110 | |
HJ150-125-250 | 1450 | 200 | 20 | Y180M-4/18.5 | Y180L-4/22 | Y200L-1/30 | |
HJ200-150-250 | 1450 | 300 | 20 | Y200L-4/30 | Y225S-4/37 | Y225M-4/45 | |
HJ200-150-250 | 1450 | 400 | 20 | Y200L-4/30 | Y225S-4/37 | Y225M-4/55 | |
四、產品實拍及使用現場











上一篇:ZA型石油化工流程泵
下一篇:LC型高效煙氣脫硫循環泵
為您提供耐腐耐磨砂漿泵,工程塑料泵,蒸發循環泵等方面的專屬解決方案